Bilen døde plutselig på lørdag. EFI sikringen var gått og den går med en gang man prøver å starte. Etter litt leting på nettet har jeg funnet ut at det mest sannsynlig skyldes en av disse tingene:
-Kortslutning i hjernen
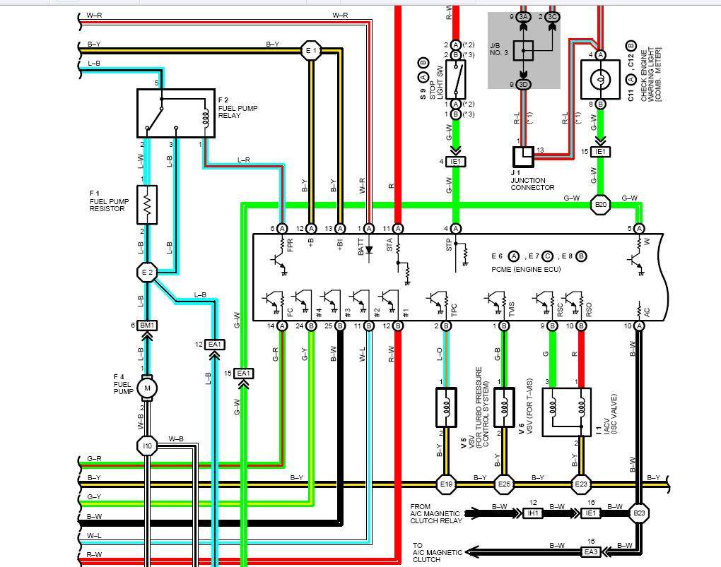
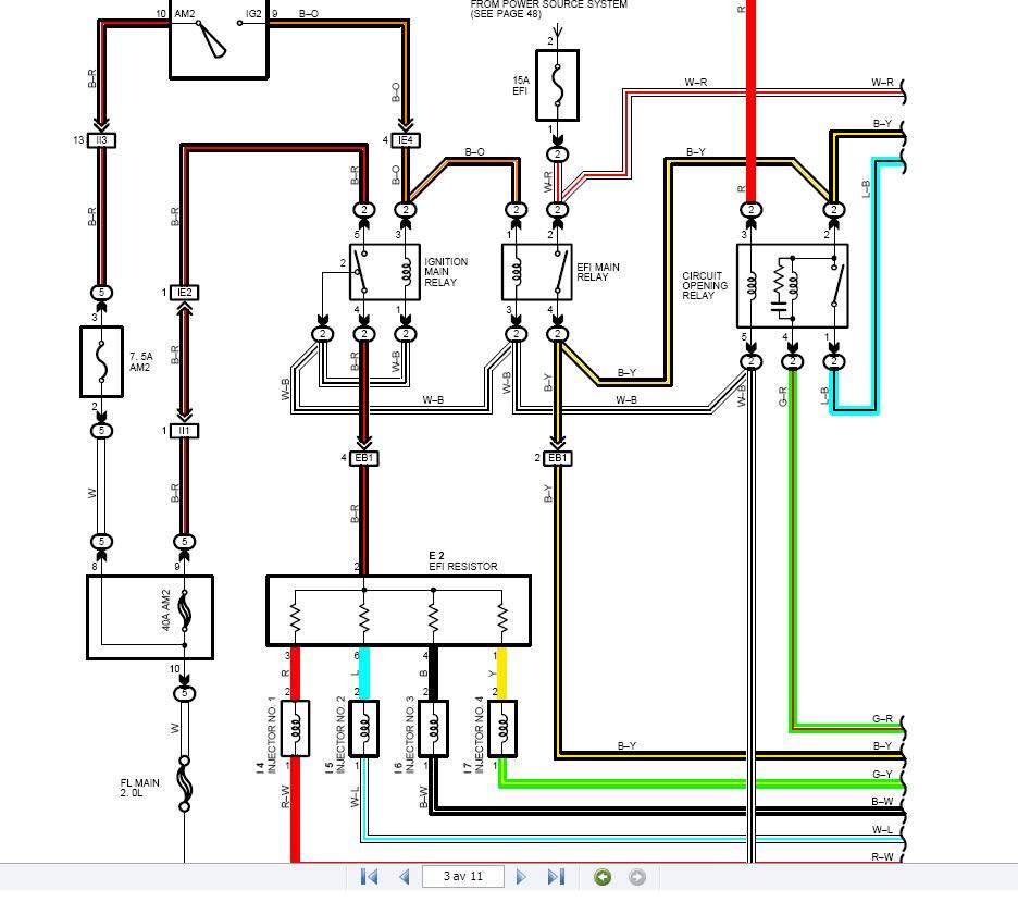
-Def EFI relé (får låne et i morgen eller i kveld for å prøve)
-Irr på undersiden av sikringsboksen (sjekket)
-Def bensinpumpe eller relé, dette gjaldt visst kun noen modeller.
Skal vel nevnes at bilen har fusket litt en stund nå. Den har heller ikke blitt ordentlig varm de siste dagene. Fordelerlokk, rotor og termostat er byttet i dag. Men får jo ikke sjekket om det fikset disse problemene.
Tenkte jeg skulle prøve å koble ut bensinpumpa og reléet for å se om sikringa fortsatt går, men jeg finner det ikke
 
Hvor skal jeg se?
Skjønner at dårlig bensinpumpe kan forårsake fusking, men kan det være årsaken til at motoren ikke ble varm også? Med tanke på blanding...???
Håper på noen kloke tips her. Er ikke like gøy å kjøre Justy
					
										
																					-Kortslutning i hjernen
-Def EFI relé (får låne et i morgen eller i kveld for å prøve)
-Irr på undersiden av sikringsboksen (sjekket)
-Def bensinpumpe eller relé, dette gjaldt visst kun noen modeller.
Skal vel nevnes at bilen har fusket litt en stund nå. Den har heller ikke blitt ordentlig varm de siste dagene. Fordelerlokk, rotor og termostat er byttet i dag. Men får jo ikke sjekket om det fikset disse problemene.
Tenkte jeg skulle prøve å koble ut bensinpumpa og reléet for å se om sikringa fortsatt går, men jeg finner det ikke
Hvor skal jeg se?
Skjønner at dårlig bensinpumpe kan forårsake fusking, men kan det være årsaken til at motoren ikke ble varm også? Med tanke på blanding...???
Håper på noen kloke tips her. Er ikke like gøy å kjøre Justy
						 Sist redigert av Sven den 21 aug 2007 19:49, redigert 1 gang totalt.
						 						 
						
																				 
					 
					 Sven
'15 Nissan E-NV 200
'04 Scion Xb
'94 Lexus LS400 (hugget)
'71 Crown pickup
'69 Crown stasjonsvogn
					 						
            '15 Nissan E-NV 200
'04 Scion Xb
'94 Lexus LS400 (hugget)
'71 Crown pickup
'69 Crown stasjonsvogn

