Jeg har anskaffet meg denne: http://cgi.ebay.com/REMOTE-KEYLESS-ENTR ... dZViewItem
Det er stort sett bare en boks med ei antenne som mottar signaler fra en fjernkontroll, og hvis koblet riktig skal den da aktivere sentrallåsen. Altså en alarm uten alarmdelen.
Problemet er at jeg ikke har peiling på hvordan jeg skal koble dette. Har en viss aning, men trenger eksperthjelp fra de som har gjort liknende før (kobla alarmer osv). Jeg har ikke Toyotaalarm fra før av.
Denne boksen har 6 ledninger som skal kobles til sentrallåskretsen på et vis. Disse kan kobles hele 5 forskjellige måter avhengig av hvilket sentrallåssystem en har. (Car Alarm Out Port,Negative Trigger, Positive trigger,Positive/negative trigger og pnaumatic lock) Hvilke av disse skal jeg bruke?
De andre ledningene som strøm og jord og 12v til å blinke i blinklysa har jeg kontroll på.Boksen har også et valg om enten å sende ut puls i 0.5 sekunder til elektrisk sentrallås eller 3.5 sekunder for "pneumatic" sentrallås. Hvilke av dem er MR2'en?
Jeg har lokalisert "Door lock control relay'et" mitt ca ved sikringsboksen ved venstrefoten min på førersida. Samt at jeg har de ledningene som kobles til den manuelle styringsenheten i førerdøra.
Trenger altså noen råd om hvilke ledninger jeg skal koble disse 6 ledningene fra boksen inn på!
Har lest litt på mr2oc at sentrallåsen trenger 2 pulser for å låse opp og 1 puls for å låse. Stemmer dette?
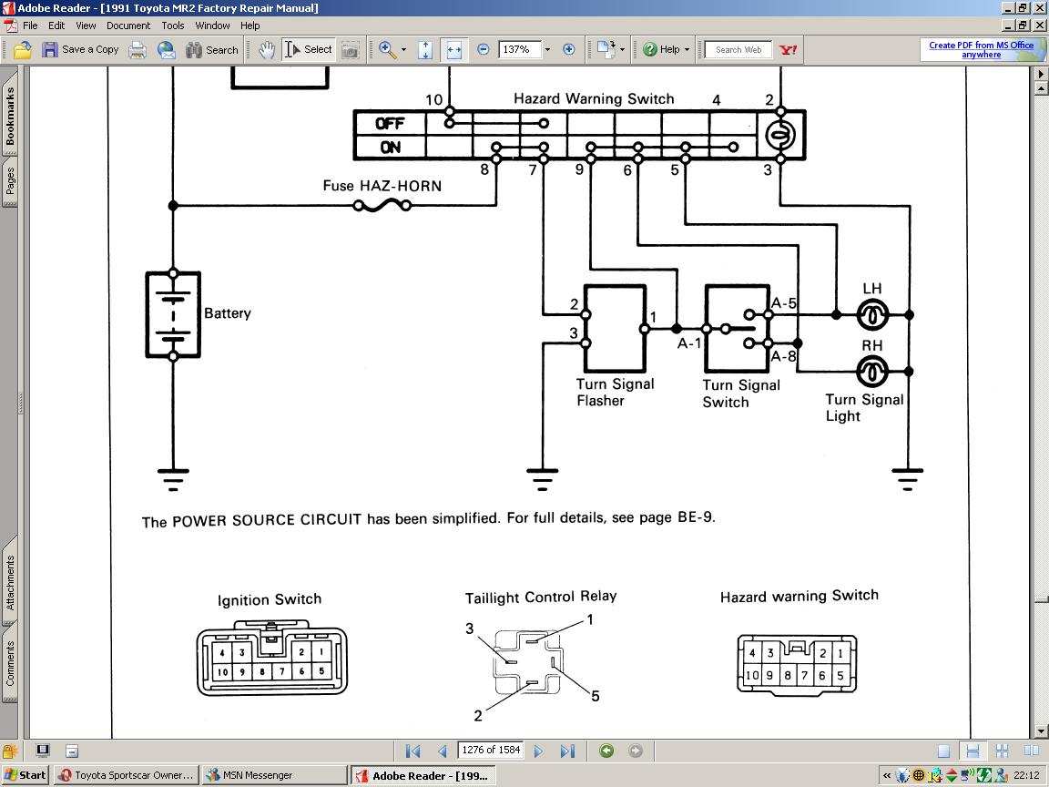
Legger ved et par bilder hvis dette hjelper.
Det er stort sett bare en boks med ei antenne som mottar signaler fra en fjernkontroll, og hvis koblet riktig skal den da aktivere sentrallåsen. Altså en alarm uten alarmdelen.
Problemet er at jeg ikke har peiling på hvordan jeg skal koble dette. Har en viss aning, men trenger eksperthjelp fra de som har gjort liknende før (kobla alarmer osv). Jeg har ikke Toyotaalarm fra før av.
Denne boksen har 6 ledninger som skal kobles til sentrallåskretsen på et vis. Disse kan kobles hele 5 forskjellige måter avhengig av hvilket sentrallåssystem en har. (Car Alarm Out Port,Negative Trigger, Positive trigger,Positive/negative trigger og pnaumatic lock) Hvilke av disse skal jeg bruke?
De andre ledningene som strøm og jord og 12v til å blinke i blinklysa har jeg kontroll på.Boksen har også et valg om enten å sende ut puls i 0.5 sekunder til elektrisk sentrallås eller 3.5 sekunder for "pneumatic" sentrallås. Hvilke av dem er MR2'en?
Jeg har lokalisert "Door lock control relay'et" mitt ca ved sikringsboksen ved venstrefoten min på førersida. Samt at jeg har de ledningene som kobles til den manuelle styringsenheten i førerdøra.
Trenger altså noen råd om hvilke ledninger jeg skal koble disse 6 ledningene fra boksen inn på!
Har lest litt på mr2oc at sentrallåsen trenger 2 pulser for å låse opp og 1 puls for å låse. Stemmer dette?
Legger ved et par bilder hvis dette hjelper.
Vedlegg
IMG_1521.jpg (138.96 kiB) Vist 397 ganger
1999 MR2 SW20 GTI
