TS-ogn

Toyota Sportscar - Owners Group Norway 

  • Registerreim og Celica mk7

  • Teknisk diskusjon / spørsmÃ¥l rundt Celica
Teknisk diskusjon / spørsmål rundt Celica
 #135379  av Vipern
 
Noen som har byttet?
Hva kom det hele på i pris? :shock:

Frykter at jeg må grave dypt i lommeboken..

 #135381  av ST205RR
 
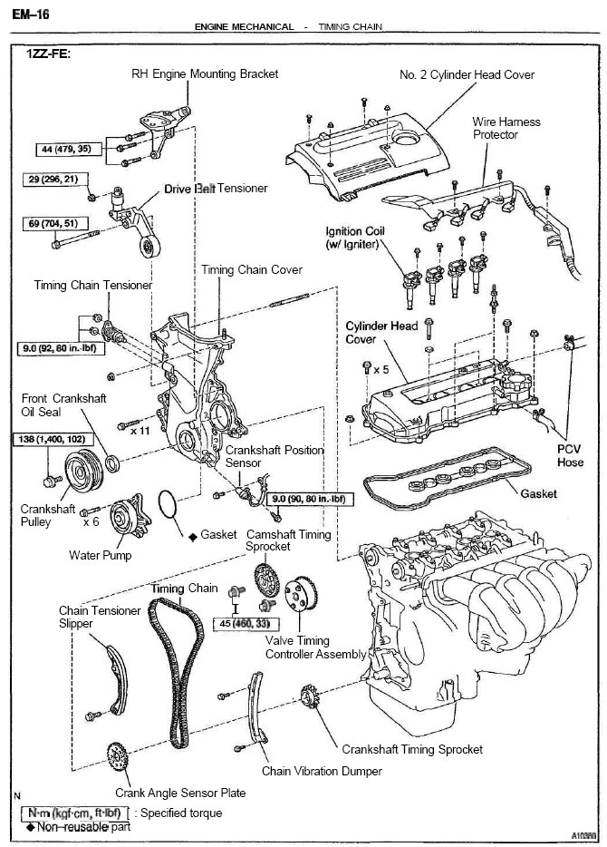
mk7 har ikke reg reim....

 #135383  av Vipern
 
woh?

nå tror jeg du nettopp reddet dagen min :P

brennsikker på at det er kjede da?

 #135384  av one
 
.
Sist redigert av one den 18 feb 2010 23:40, redigert 1 gang totalt.

 #135385  av Vipern
 
nice! Sparer meg noen kroner da ja.
FÃ¥r legge litt i "spare-til-tsport"-kassa istedenfor.

 #135881  av Mr2 Mk2
 
Er kjede på den ja ;)

 #135925  av kaimagne
 
Det ubestridelige faktum er herved presentert... :)
Vedlegg
timing-belt-2zz-ge.jpg
timing-belt-2zz-ge.jpg (143.05 kiB) Vist 321 ganger
timing-belt-1zz-fe.jpg
timing-belt-1zz-fe.jpg (148.74 kiB) Vist 329 ganger

 #135934  av celicat23
 
Hvor ofte må dette kjedet byttes? Noen som vet?

 #135939  av kaimagne
 
Anbefaler alle som har MK7-Celica om å laste ned Big Green Book for denne bilen: http://www.ts-ogn.no/phpBB2/viewtopic.php?t=8673
Vedlegg
slitasje-timing-belt.jpg
slitasje-timing-belt.jpg (72.25 kiB) Vist 321 ganger